Yamaha It175 Parts Diagram . our yamaha oem parts finder makes it simple to find the exact parts for your ride. shop our large selection of 1981 yamaha it175h oem parts, original equipment manufacturer parts and more online or call at. shop our large selection of 1980 yamaha it175g oem parts, original equipment manufacturer parts and more online or call at. Select the year of your yamaha it175 above to view. official yamaha parts list easy repairs with oem diagrams free acccess to parts fiches for yamaha it175 1977 usa
from www.cmsnl.com
our yamaha oem parts finder makes it simple to find the exact parts for your ride. Select the year of your yamaha it175 above to view. shop our large selection of 1980 yamaha it175g oem parts, original equipment manufacturer parts and more online or call at. shop our large selection of 1981 yamaha it175h oem parts, original equipment manufacturer parts and more online or call at. official yamaha parts list easy repairs with oem diagrams free acccess to parts fiches for yamaha it175 1977 usa
Yamaha IT175 1980 (A) USA CLUTCH buy original CLUTCH spares online
Yamaha It175 Parts Diagram shop our large selection of 1981 yamaha it175h oem parts, original equipment manufacturer parts and more online or call at. shop our large selection of 1981 yamaha it175h oem parts, original equipment manufacturer parts and more online or call at. our yamaha oem parts finder makes it simple to find the exact parts for your ride. shop our large selection of 1980 yamaha it175g oem parts, original equipment manufacturer parts and more online or call at. official yamaha parts list easy repairs with oem diagrams free acccess to parts fiches for yamaha it175 1977 usa Select the year of your yamaha it175 above to view.
From www.cmsnl.com
Yamaha IT175 1982 (C) USA CANADA REAR WHEEL buy original REAR WHEEL spares online Yamaha It175 Parts Diagram our yamaha oem parts finder makes it simple to find the exact parts for your ride. shop our large selection of 1980 yamaha it175g oem parts, original equipment manufacturer parts and more online or call at. official yamaha parts list easy repairs with oem diagrams free acccess to parts fiches for yamaha it175 1977 usa Select the. Yamaha It175 Parts Diagram.
From www.cmsnl.com
Yamaha IT175 1979 USA CANADA SOUTHAFRICA CARBURETOR buy original CARBURETOR spares online Yamaha It175 Parts Diagram shop our large selection of 1980 yamaha it175g oem parts, original equipment manufacturer parts and more online or call at. official yamaha parts list easy repairs with oem diagrams free acccess to parts fiches for yamaha it175 1977 usa Select the year of your yamaha it175 above to view. our yamaha oem parts finder makes it simple. Yamaha It175 Parts Diagram.
From www.cmsnl.com
Yamaha IT175 1982 (C) USA CANADA TAILLIGHT buy original TAILLIGHT spares online Yamaha It175 Parts Diagram our yamaha oem parts finder makes it simple to find the exact parts for your ride. Select the year of your yamaha it175 above to view. official yamaha parts list easy repairs with oem diagrams free acccess to parts fiches for yamaha it175 1977 usa shop our large selection of 1981 yamaha it175h oem parts, original equipment. Yamaha It175 Parts Diagram.
From www.cmsnl.com
Yamaha IT175 1978 USA TRANSMISSION buy original TRANSMISSION spares online Yamaha It175 Parts Diagram shop our large selection of 1981 yamaha it175h oem parts, original equipment manufacturer parts and more online or call at. shop our large selection of 1980 yamaha it175g oem parts, original equipment manufacturer parts and more online or call at. our yamaha oem parts finder makes it simple to find the exact parts for your ride. . Yamaha It175 Parts Diagram.
From www.cmsnl.com
Yamaha IT175 1980 (A) USA TRANSMISSION buy original TRANSMISSION spares online Yamaha It175 Parts Diagram shop our large selection of 1980 yamaha it175g oem parts, original equipment manufacturer parts and more online or call at. Select the year of your yamaha it175 above to view. our yamaha oem parts finder makes it simple to find the exact parts for your ride. shop our large selection of 1981 yamaha it175h oem parts, original. Yamaha It175 Parts Diagram.
From www.cmsnl.com
Yamaha IT175 1977 USA STAND FOOTREST BRAKE PEDAL buy original STAND FOOTREST BRAKE Yamaha It175 Parts Diagram shop our large selection of 1981 yamaha it175h oem parts, original equipment manufacturer parts and more online or call at. official yamaha parts list easy repairs with oem diagrams free acccess to parts fiches for yamaha it175 1977 usa Select the year of your yamaha it175 above to view. shop our large selection of 1980 yamaha it175g. Yamaha It175 Parts Diagram.
From www.cmsnl.com
Yamaha IT175 1980 (A) USA CYLINDER buy original CYLINDER spares online Yamaha It175 Parts Diagram shop our large selection of 1981 yamaha it175h oem parts, original equipment manufacturer parts and more online or call at. shop our large selection of 1980 yamaha it175g oem parts, original equipment manufacturer parts and more online or call at. official yamaha parts list easy repairs with oem diagrams free acccess to parts fiches for yamaha it175. Yamaha It175 Parts Diagram.
From www.cmsnl.com
Yamaha IT175 1978 USA INTAKE buy original INTAKE spares online Yamaha It175 Parts Diagram Select the year of your yamaha it175 above to view. official yamaha parts list easy repairs with oem diagrams free acccess to parts fiches for yamaha it175 1977 usa shop our large selection of 1980 yamaha it175g oem parts, original equipment manufacturer parts and more online or call at. shop our large selection of 1981 yamaha it175h. Yamaha It175 Parts Diagram.
From www.cmsnl.com
Yamaha IT175 1980 (A) USA CLUTCH buy original CLUTCH spares online Yamaha It175 Parts Diagram shop our large selection of 1981 yamaha it175h oem parts, original equipment manufacturer parts and more online or call at. our yamaha oem parts finder makes it simple to find the exact parts for your ride. shop our large selection of 1980 yamaha it175g oem parts, original equipment manufacturer parts and more online or call at. . Yamaha It175 Parts Diagram.
From www.cmsnl.com
Yamaha IT175 1981 (B) USA HANDLEBARCABLE buy original HANDLEBARCABLE spares online Yamaha It175 Parts Diagram Select the year of your yamaha it175 above to view. official yamaha parts list easy repairs with oem diagrams free acccess to parts fiches for yamaha it175 1977 usa our yamaha oem parts finder makes it simple to find the exact parts for your ride. shop our large selection of 1981 yamaha it175h oem parts, original equipment. Yamaha It175 Parts Diagram.
From www.cmsnl.com
Yamaha IT175 1980 (A) USA REAR WHEEL buy original REAR WHEEL spares online Yamaha It175 Parts Diagram official yamaha parts list easy repairs with oem diagrams free acccess to parts fiches for yamaha it175 1977 usa Select the year of your yamaha it175 above to view. shop our large selection of 1981 yamaha it175h oem parts, original equipment manufacturer parts and more online or call at. our yamaha oem parts finder makes it simple. Yamaha It175 Parts Diagram.
From www.cmsnl.com
Yamaha IT175 1982 (C) USA CANADA CRANKSHAFTPISTON buy original CRANKSHAFTPISTON spares online Yamaha It175 Parts Diagram our yamaha oem parts finder makes it simple to find the exact parts for your ride. Select the year of your yamaha it175 above to view. shop our large selection of 1980 yamaha it175g oem parts, original equipment manufacturer parts and more online or call at. shop our large selection of 1981 yamaha it175h oem parts, original. Yamaha It175 Parts Diagram.
From www.cmsnl.com
Yamaha IT175 1977 USA SHIFTER 2 buy original SHIFTER 2 spares online Yamaha It175 Parts Diagram shop our large selection of 1981 yamaha it175h oem parts, original equipment manufacturer parts and more online or call at. shop our large selection of 1980 yamaha it175g oem parts, original equipment manufacturer parts and more online or call at. Select the year of your yamaha it175 above to view. our yamaha oem parts finder makes it. Yamaha It175 Parts Diagram.
From www.cmsnl.com
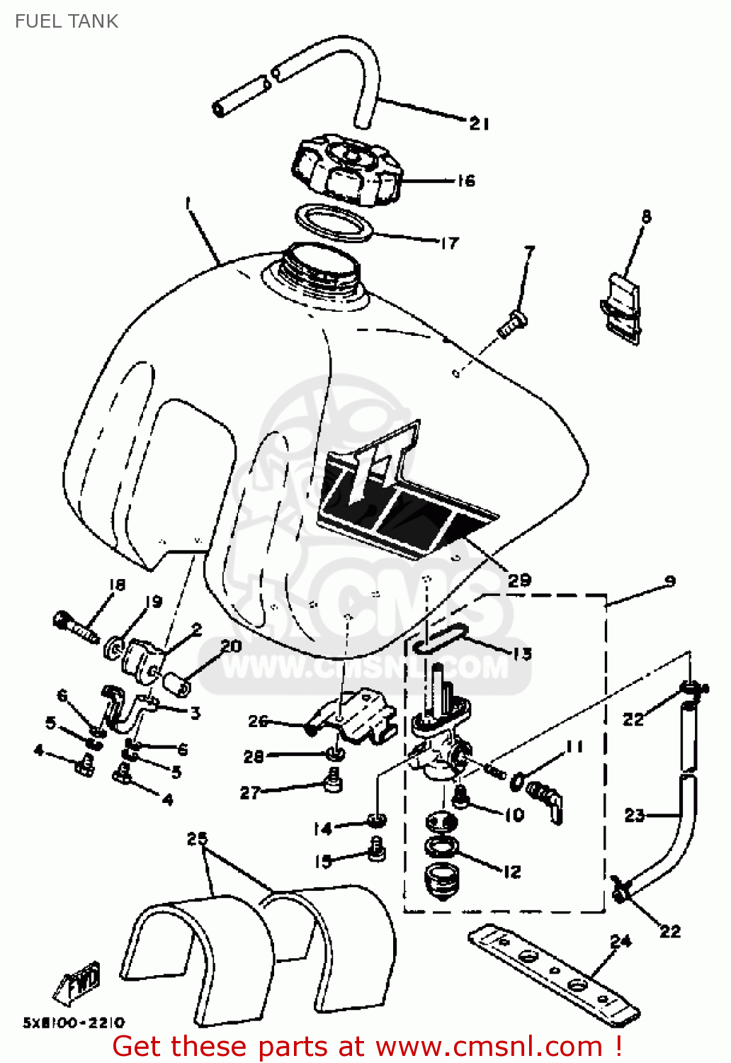
Yamaha IT175 1983 (D) USA CANADA FUEL TANK buy original FUEL TANK spares online Yamaha It175 Parts Diagram official yamaha parts list easy repairs with oem diagrams free acccess to parts fiches for yamaha it175 1977 usa shop our large selection of 1981 yamaha it175h oem parts, original equipment manufacturer parts and more online or call at. shop our large selection of 1980 yamaha it175g oem parts, original equipment manufacturer parts and more online or. Yamaha It175 Parts Diagram.
From www.cmsnl.com
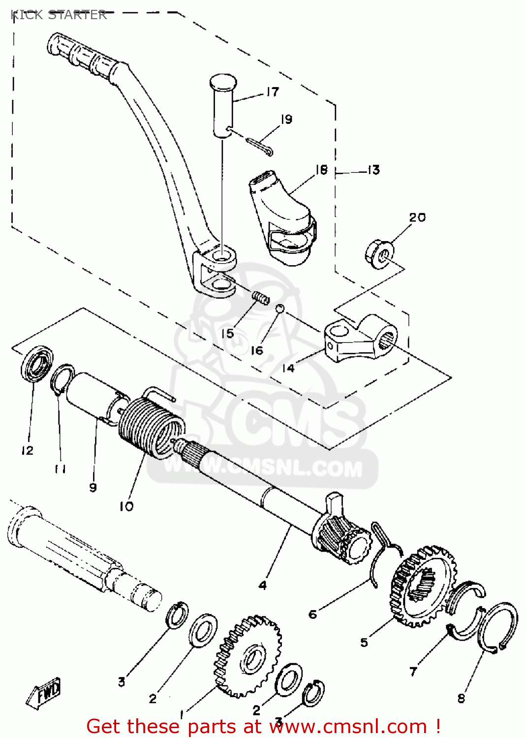
Yamaha IT175 1977 USA KICK STARTER buy original KICK STARTER spares online Yamaha It175 Parts Diagram our yamaha oem parts finder makes it simple to find the exact parts for your ride. official yamaha parts list easy repairs with oem diagrams free acccess to parts fiches for yamaha it175 1977 usa Select the year of your yamaha it175 above to view. shop our large selection of 1981 yamaha it175h oem parts, original equipment. Yamaha It175 Parts Diagram.
From www.cmsnl.com
Yamaha IT175 1980 (A) USA KICK STARTER buy original KICK STARTER spares online Yamaha It175 Parts Diagram our yamaha oem parts finder makes it simple to find the exact parts for your ride. Select the year of your yamaha it175 above to view. official yamaha parts list easy repairs with oem diagrams free acccess to parts fiches for yamaha it175 1977 usa shop our large selection of 1981 yamaha it175h oem parts, original equipment. Yamaha It175 Parts Diagram.
From www.cmsnl.com
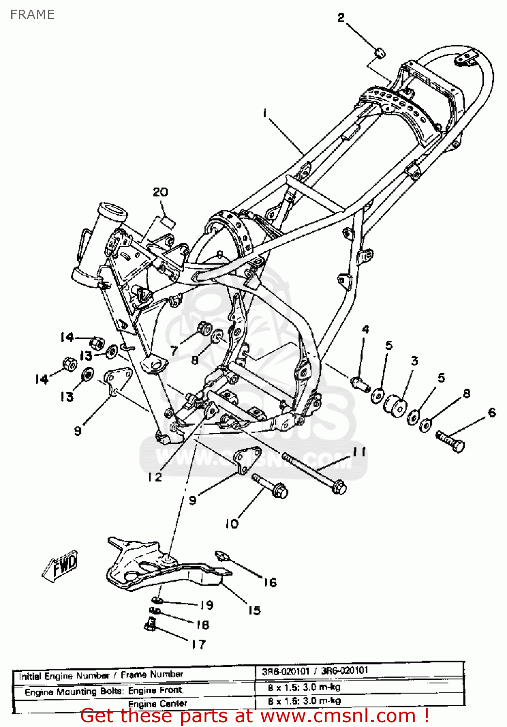
Yamaha IT175 1981 (B) USA FRAME buy original FRAME spares online Yamaha It175 Parts Diagram shop our large selection of 1981 yamaha it175h oem parts, original equipment manufacturer parts and more online or call at. shop our large selection of 1980 yamaha it175g oem parts, original equipment manufacturer parts and more online or call at. our yamaha oem parts finder makes it simple to find the exact parts for your ride. . Yamaha It175 Parts Diagram.
From www.cmsnl.com
Yamaha IT175 1981 (B) USA INTAKE buy original INTAKE spares online Yamaha It175 Parts Diagram our yamaha oem parts finder makes it simple to find the exact parts for your ride. shop our large selection of 1980 yamaha it175g oem parts, original equipment manufacturer parts and more online or call at. Select the year of your yamaha it175 above to view. official yamaha parts list easy repairs with oem diagrams free acccess. Yamaha It175 Parts Diagram.